相補式無帰還ヘッドホンアンプの製作

(c) S.Yoshimoto
2018
2019/02 update


真の高性能ヘッドホンアンプを目指して

負帰還に頼らず、増幅回路自体が低歪率で広帯域なヘッドホンアンプを製作します。
自然で素直で飾り気のない、優しく温かな音質が目標です。
ゆったりと音楽を聴くのに適した据置型ヘッドホンアンプです。

相補式増幅回路

半導体の入出力の関係は指数関数をしています。
直線(一次)関数ではない為に出力信号に歪が生じます。
半導体には相補関係にあるNch素子とPch素子があり互いに電圧・電流の方向が逆向きの指数関数を持ちます。
生じる歪も逆向きとなるので、Nch素子とPch素子の出力を合成すると歪は打消し合い、低歪率の出力が得られます。

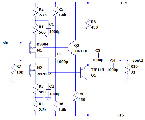
単純明快な4石増幅回路

ヘッドホンアンプは電圧増幅段と出力段で構成されます。
電圧増幅段はMOSFETのソース接地増幅回路です。
出力段はヘッドホンへの電力供給に適したトランジスタのエミッタフォロワです。
電圧増幅段に1石、出力段に1石、それを相補式とする為のNchとPchがあり、計4石で構成されます。
単純な回路です。
差動だのカスコードだの、カレントミラーだのと言った複雑な回路を含みません。

高音質

高音質を目指し、オペアンプを用いずに個別部品(ディスクリート)により製作します。
東芝製のNch/PchデュアルMOSFETとトランジスタ、
1/2W大型抵抗器、大容量電界コンデンサ等の良質な個別部品を用います。

保護回路

高価なヘッドホンを保護する保護回路を備えます。
保護回路は以下の条件でヘッドホンを切り離します。

全部載せプリント基板

アンプ回路、音量調節ボリューム、ヘッドホン端子、電源回路、保護回路、トランス等殆ど全てを1枚の基板に搭載しました。

目次

以下、その設計と製作を行います。

ご試聴機のお貸出し

相補式無帰還ヘッドホンアンプの音質にご興味をお持ち頂きました方々に試聴機のお貸出しをさせて頂きます。
お貸出しの条件は

貸出し希望の方は下記ご記入頂いたメールを筆者にお送り下さい。

オーディオ全般の話題、本ページへのご感想、ご質問等をお書き下さい。

筆者へ直接のご意見・ご質問はこちらへ

趣味のオーディオ製作トップへ戻る