相補式無帰還ヘッドホンアンプの製作
基本設計

(c) S.Yoshimoto
2018
2019/02 update

ヘッドホンアンプとしての構成

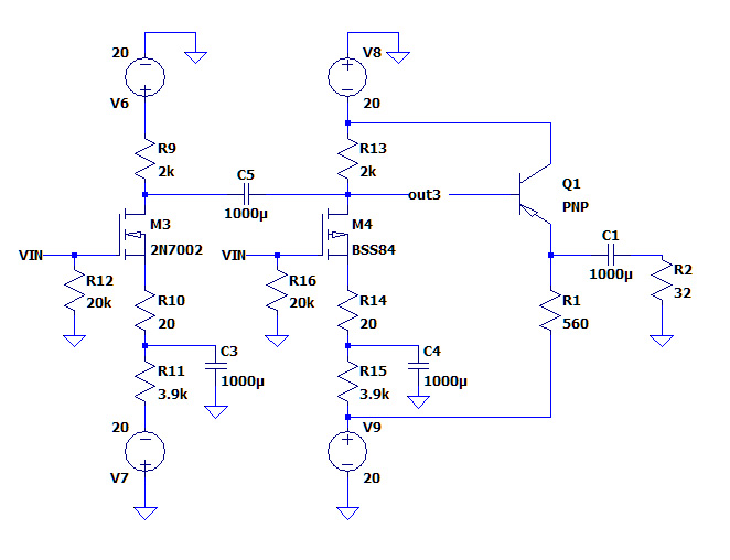
相補式増幅回路解説で説明した回路では低インピーダンス(32Ω)のヘッドホンを駆動できません。
そこで出力段を追加します。出力段は電力供給に適したトランジスタによるエミッタフォロワです。
出力段を加えた回路が下図です。

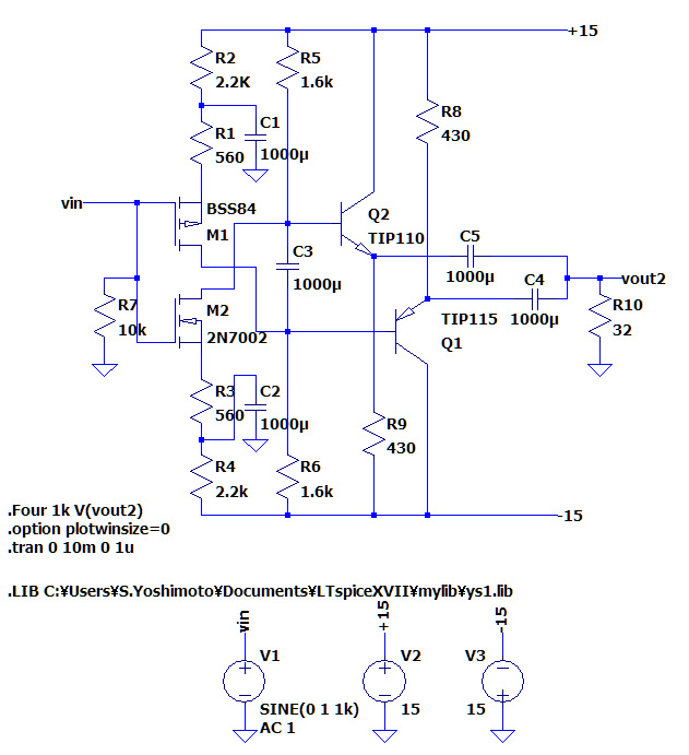
残念ながら上図の回路の歪率特性は良くありませんでした。
そこでNch素子側にもトランジスタによるエミッタフォロワを加え、出力段も相補式としました。
目標最大出力500mWも考慮して電源電圧を+−15Vとした回路が下図です。

LTspiceでの歪率解析

LTspiceにて上図回路の1kHz歪率解析を行いましした。


10mW(0.56V)で0.017%
100mW(1.78V)で0.061%
500mW(3.98V)で1.023%
の歪率解析結果を得ました。
4石で構成された無帰還ヘッドホンアンプとしては大変良好な結果です。
最大出力も500mWと十分です。

ヘッドホンアンプとしの回路が決まったので詳細設計に進みます。
シミレーションと異なり現実に作るとここまで上手くは行かないかもしれませんが、100mWで0.1%を下回れれば実用上は十分だと思います。

詳細設計へ進む

相補式無帰還ヘッドホンアンプの製作 先頭に戻る