LM1875 反転増幅 DCパワーアンプの製作
詳細設計
2025 (c) S.Yoshimoto
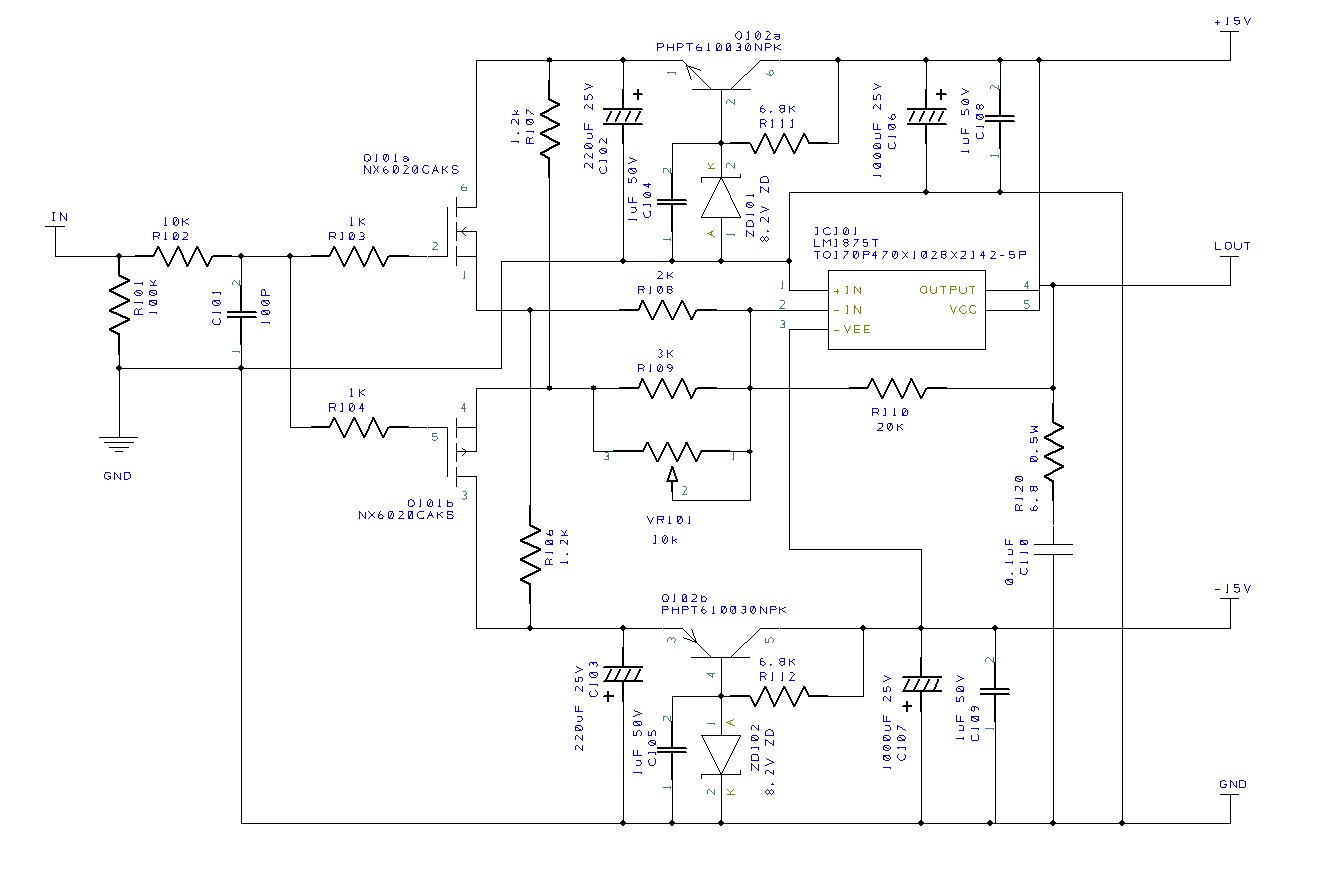
アンプ部回路
下図は本アンプの1チャンネル分の回路図です。

- 入力信号はQ101 NX6020デュアルNch/Pch MOSFETの相補式ソースフォロワで増幅されます。
- 相補式ソースフォロワの電源はQ102 PHP610030NPKデュアルNch/Pch Trによる±7.6V電源です。
±15Vからの雑音を阻止すると共に、MOSFETの損失を低減します。
- 相補式ソースフォロワの出力はR100とR109の中点からLM1875の負入力(-IN)に伝わります。
- R109と並列なVR101可変抵抗器はLM1875出力端子のオフセット調整用です。
デュアルNch/Pch MOSFETも特性が揃っているとはいえゲート・ソース電圧特性に差異があります。
加えて、本アンプは20倍の直流利得があるのでLM1875のオフセットも直流利得分増加します。
それらにより生じるLM1875出力端子のオフセットをVR101で調整し、LM1875出力端子電位を0Vにします。
- LM1875出力端子に繋がる補正CR (R120, C110)は6.8Ωと0.1uFです。
メーカー推奨の1Ωと0.22uFより大幅に低減されていますが、十分に安定です。
- 電源電圧は±15Vです。15W(6Ω負荷時)の出力を得られます。
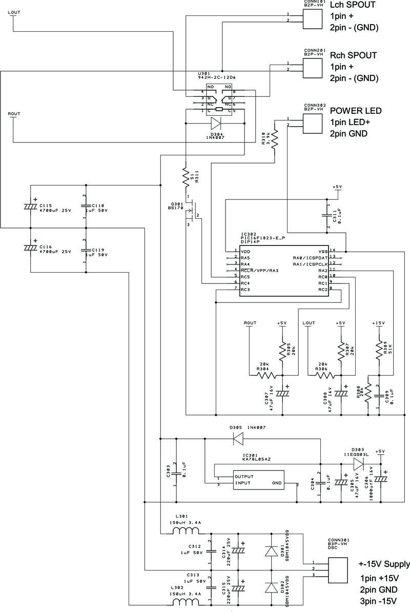
電源と保護回路
下図は本アンプの電源と保護回路の回路図です。

- コネクタ CONN301の±15Vはコーセル製±15V 1.7Aスイッチング電源PBW50F-15から供給されます。
ダイオードD301,D302は電源への逆加圧を防ぎます。
インダクタL301,L302は電源からのスイッチングノイズを減衰するフィルタです。
このフィルタは電源にスイッチング電源を用いる際に必要です。
- 保護回路はPICマイコン PIC16F1823とリレーで構成されます。
PICマイコンのプログラムは以下の場合にリレーでスピーカを切り離します。
・電源投入時のノイズ防止、電源投入後5秒間
・左右出力に±200mV以上の直流漏れが生ずる。
・電源断時のノイズ防止、+15V電源の電圧が20%以上低下する。
PICマイコンのACコンバータが左右出力と+15V電源を常時監視し保護を実行しています。
保護動作中は電源LEDが点滅します。
基板上全回路図
LM1875反転増幅DCパワーアンプ基板全回路図(.pdf)
使用素子について
- LM1875
最大20Wの出力が得られるオーディオアンプ用のパワーOPアンプです。
自作に用いられる事も多く、音質も高評価を得ています。
5pinのTO220形状をしています。
LM1875データーシート
- NX6020CAKS
相補式ソースフォロワに用いられるNX6020CAKSは小信号用のデュアルNch/Pch MOSFETです。
特性の揃った2個の小信号用のNch MOSFETとPch MOSFETが格納されています。
写真は1円硬貨の上に載ったNX6020CAKSです。非常に小さな形状の表面実装素子です。
MOSFETは出力段等の電力用途に良く用いられますが初段にも有用です。
接合型FETに比べ
- ゲート漏れ電流が無い
- Gmが大きく、高利得が得られる
- 高耐圧
の利点があります。
NX6020CAKデータ―シート
- PHP610030NPK
中型のNch TrとPch Trが格納されたデュアルトランジスタです。
耐圧100V、最大コレクタ電流3Aと駆動力が高く、hfeは0.1mAから400mAの広範囲で250と高性能です。
本アンプでは相補式ソースフォロワ用の±7.6V安定化電源にこのデュアルTrを使用しています。
PHP610030NPKデーターシート
製作へ進む
LM1875 反転増幅 DCパワーアンプの製作 先頭に戻る