カスコード差動単段プッシュプルアンプの製作
基本設計

高利得を得る

このアンプは単段アンプです。必要な利得は全て出力段で得なければなりません。
出来上がったアンプとして10倍程度の利得を得るには出力段で500倍程度の利得が必要です。
MOS−FETと真空管によるカスコード増幅回路により高利得を得ています。
MOS−FETと真空管によるカスコード増幅回路の解説は

カスコード単段9Wシングルパワーアンプ基本設計

をご参照下さい。

カスコード差動出力段

MOS−FETと真空管によるカスコード増幅回路を差動として出力段に用います。
差動とする事により出力段が位相反転段をも兼ね、単段プッシュプルアンプが可能となります。
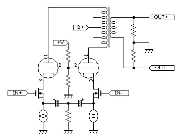
基本回路は下図

定電流源、MOS−FET、真空管の3段積みの回路です。各々の素子を動作させる為にMOS-FETのゲートと真空管のグリッドにはバイアス電圧が与えられます。
出力段が位相反転段をも兼ねますので、最大出力時まで+側と−側が差動(シーソー)動作する必要があります、その為、差動出力段はA級動作のみとなり、プッシュプルアンプに多く用いられるAB級動作は行えません。

バランス(平衡)入力の場合は+、−の両入力にバランス(平衡)入力信号が加えられます。アンバランス(不平衡)入力の場合は+入力のみに入力信号が加えられます。
アンバランス入力の場合を考えてみると、入力信号は2分され、半分づつが+、−入力に加えられたのと同等となります。入力信号は+側と−側で半分づつ増幅されて出力で再び合わされます。
ですので、利得の計算は片側に全部が入力されたとして、片側だけ計算しても同じです。

出力段の利得は下記の式となります。 gmはMOS−FETの相互コンダクタンス、Rpは内部抵抗、Rl は出力トランスの1次インピーダンスの片側分です。 A級PP場合、+側と−側で2次側負荷を半分づつを駆動するので片側分の負荷 Rl は出力トランスのP-P間インピーダンス値の1/2となります。

  出力段の利得 = gm X ( Rp // Rl )     //は並列値の演算

出力段のプレートの信号は出力トランスによって降圧されアンプの出力となります。

  出力トランスの降圧 = SQRT( Rl / 2次インピーダンスの半分 )

アンプの利得は

  アンプの利得 = 出力段の利得 / 出力トランスの降圧比
         = gm X ( Rp // Rl ) / SQRT( Rl / 2次インピーダンスの半分 )

となります。

プレート電流・DCバランス自動調整

出力トランスのDCバランスをとる為に+−両側のプレート電流は等しくしなければなりません。
基本回路の合計プレート電流値は定電流源によって決まりますが、+−の各側にどう分かれるかはMOS-FETのgm次第です。
基本回路のままではMOS-FETにgmの違いがあると+側と−側のプレート電流が同じになりません。gmは電流値や温度によっても大きく変わるので半固定ボリューム等で調整しても、すぐに変動してしまいます。
このアンプでは独立定電流源型差動増幅を用いてプレート電流値とDCバランス調整の問題を解消しています。

独立定電流源型差動増幅回路

独立定電流源型差動増幅回路ではプレート電流は各定電流回路によって決まります。別の見方をすれば、定電流値になるようなバイアス電圧が自動的に各真空管に与えられ、静止時動作点とDCバランスが自動調整されます。
自動調整は常時働いていますので、管の消耗による特性変化にも追従し、プレート電流とDCバランスを保ちます。
異なる種類の出力管を用いても、例えばEL34でもKT88でもバイアス電圧が調整され同じプレート電流になります。
このアンプは真空管を交換しても、管種を変えても無調整で動作します。

バランス、アンバランス入力の切り替え

プロ用途のバランス入力増幅と民生用途のアンバランス入力増幅をスイッチ切り替えで選択できます。
このアンプは差動アンプですので+と−の入力を持ちます。出力につながるスピーカはアンバランス素子なので出力トランスの2次巻線はアンバランスですが下図のように抵抗で中点を設けるとアンプから見ればバランス出力となります。

概念図は下図のようになります。

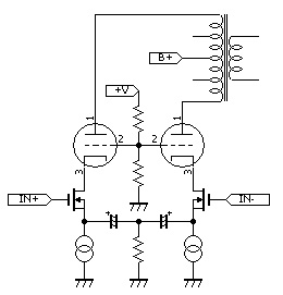
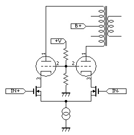
バランス入力増幅時とアンバランス入力増幅時の結線法は各々下図の通りです。

アンバランス(不平衡)結線 バランス(平衡)結線

これをスイッチ切り替えとしたのが下図の回路です。このアンプは下図の結線を用いています。



詳細設計へ進む

カスコード差動単段プッシュプルアンプの製作に戻る。