PCM2704 USB-DACの高精度クロック化

概要

DACの音質改善に高精度なクロックが有効と言われています。
PCM2704 USB-DAC (USBオーディオデバイス)に高精度なTCXO温度補償型水晶発振器よりクロックを供給し音質の改善を試みました。
普及型の水晶発振子を安定度+-2.5PPMのTCXOに交換します。
高精度クロック化の素材には

を用いました。

USB音声データとクロック

USB音声データ転送の場合、パソコンからはサンプル周波数の情報のみ(例えば、この音声データのサンプル周波数は48KHzである。)が送られ、クロック自体は送られません。
パソコンはUSBオーディオデバイスの受信バッファに空きがある限り、サンプル周波数とは関係なしに、できるだけ早く、どんどん音声データを送ります、受信バッファが満杯になれば空きができるのを待ちます、この動作を繰り返して転送を行います。
USBオーディオデバイス側では自身のクロックを使ってサンプル周波数ごとに受信バッファの音声データをアナログ信号に変換して再生します。
送り出し側の送り出し速度に関係なく、USBオーディオデバイスでは自身のクロックを高精度化すれば再生が高精度になります。

USB音声データ転送は受信側クロックの高精度化と相性の良い方式です。

これに対して、オーディオ機器で一般的なSPDIFによる音声データ転送は送る出し側(例えばCDプレーヤ)のクロックに従って、クロックも含めて送り出されます。
基本的には受信側のDACは送られてくるクロックに従って動作し、自身のクロックは必要ありません。
再生のクロック精度は送り出しクロックに依存します。
これを改善する為に、近年、受け手のDAC側で高精度なクロックを持つ場合もありますが、送り出しクロックと受け側クロックの誤差が問題となります。
送り出しクロックが受け側クロックより早ければ、音声データに余りが生じます。
送り出しクロックが受け側クロックより遅ければ、音声データに不足が生じます。
余った場合はデータを捨て、不足した場合は同じデータを2回使用する等のデータ的問題を生じます。
大きなバファを持つ等の対策がありますが、根本的解決にはなりません。
根本的な解決には、送り手も受け手共にも外部のクロック発振器に従って転送を行う必要があり、大掛かりですし、対応する機材も限られます。

高精度クロック発振器

PCM2704 USB-DACは12MHzの発振器又は発振子を用います。
下の写真右が今回用いた米FOX社924B TCXO(温度補償型水晶発振器) 12MHzです。
写真左は従来の普及型水晶発振子です。

豆粒のように小さな発振器ですが、下表のように普及型水晶発振子より20倍も高精度で

FOX 924型TCXO 普及型水晶発振子
周波数確度 +-1.5PPM +-50PPM
全温度範囲安定度 +-2.5PPM 規定なし
全電源電圧範囲安定度 +-0.3PPM 規定なし
経年安定度 +-1.0PPM/年 規定なし

1PPMは百万分の1

FOX 924Bを動作させるには3.3Vの電源が必要です。
詳細は FOX 924Bデータシート を参照下さい。

FOX 924Bの12MHzはDigiKeyにて900円程度で購入できます。
http://search.digikey.com/scripts/DkSearch/dksus.dll?Detail&name=631-1068-1-ND
しかし、これのみ注文すると米国からの送料が2000円もかかってしまいます。
私に若干の手持ちがございますのでご入用な方にはお分けいたします。メールにてお問い合わせ下さい。

PCM2704をセルフ電源で用いたUSBオーディオデバイスの改造

PCM2704をセルフ電源で用いたUSBオーディオデバイスの素材には弊社Model6 USB-DAC & ヘッドホンアンプを用います。
Model6はデジタル、発振/PLL/DA、アナログの独立した3つの3.3V電源を備えており好都合です。
942B発振器には発振/PLL/DA用の3.3V電源から供給します。

左は元の回路図、右がFOX 924Bを用いた回路図です。
変更点は少なく、改造はとても簡単です。

元回路図 924B使用回路図

基板を取り外す

Model6から主基板を取り外します。
主基板は半田作業無しに取り出す事ができます。

X01 12MHz発振子、C001、C002、R007の撤去

元に状態のPCM2704の周辺

半田吸い取り機で半田を除去し部品を外します。
X01,C001,C002,R007を取り外した状態。

924B発振器の取り付け

基板裏面に924Bを電極を表にしてエポキシ接着剤で貼り付けます。(表面だと巧く配線できません。)
端に切り欠きがある電極が1pinです。(写真じゃ見えないですね、拡大鏡で実物を見ると判ります。)
924Bのピン配置、外形図等の詳細はデータシートを参照して下さい。
写真ではマジックインキで1と書き込んだのが1pin、貼り付け向きに注意して下さい。

配線

配線は3本のみです。

改造はこれで終わりです。
基板を筐体に戻し、組み立て直します。

PCM-2704をバスパワーで用いたUSBオーディオデバイスの場合

PCM2704をバスパワーで用いたUSBオーディオデバイスの素材にはビックス社のUSBオーディオキットを用います。
924B発振器の取り付けに加え、バスパワーから3.3Vを作る回路の増設も必要です。

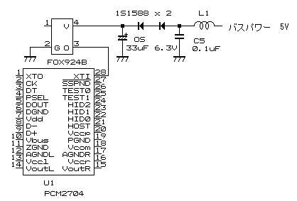
左は元のクロック周辺回路図、右がFOX 924Bを用いたクロック周辺回路図です。

元回路図 924B使用回路図

追加部品として924B以外に1S1588 2個と6.3V 33uF OSコン 1個が必要です。

Y1 12MHz発振子、C1、C10、R9の撤去

元の回路からY1、C1、C10、R9を撤去します。
新たに組み立てる場合はこれらを実装せずに組み立てます。

XTOへのパターンを切断

プリントパターンを3.3V電源作成に利用する為PCM2704 1pin XTOに繋がるパターンを○印の所で切断します。

3.3V電源部品の実装

C1の場所に6.3V 33uF OSコンを取り付けます。OSコンの向きはR9側が+です。
1S1588ダイオード2本を空中配線でC5プラス側とR9のC1側端子間に取り付けます。
ダイオードの向きはR9端子側が+です。 基板とショートしないように絶縁チューブを被せます。

924B発振器の取り付け

基板裏面に924Bを電極を表にしてエポキシ接着剤で貼り付けます。(表面だと巧く配線できません。)
端に切り欠きがある電極が1pinです。(写真じゃ見えないですね、拡大鏡で実物を見ると判ります。)
924Bのピン配置、外形図等の詳細はデータシートを参照して下さい。
写真ではマジックインキで1と書き込んだのが1pin、貼り付け向きに注意して下さい。

配線

配線は3本のみです。

完成

これで完成です。
安定に動作しています。

高精度クロック化による音質の改善結果

高精度クロックを搭載したModel6と通常のModel6の2台で比較試聴を行いました。
(ビックス社のUSBキットは他社様御製品ですので音質の評価は控えさせて頂きます。)

改善された点

失われた点

総評

改善されるのは帯域感や歪感と言った明確な感覚ではなく、もっと細かな気配感・雰囲気感でした。
スピーカで聞くよりもヘッドホンで聞く方が違いがよく判ります。
オーディオ的には基本的な性能が備わった上でこそ有効な、かなり高度な次元での改善と思います。

とはいえ、この安定感は魅力です。ちょっと苦手な曲を聴く場合など安心して聞いていられるので
ストレスが少なく最後まで聞き通すことが出来ました。
どっしりとした安定感と落ち着いた気品を求める場合、有効な改善策と思います。

当記事へのご質問、ご感想等をお書き下さい。

FOX 924Bのお求め等

趣味のオーディオ製作トップへ戻る