Analog Discovery試用記
スペクトラムアナライザ

AnalogDiscoveryのスペクトラムアナライザを使ってオーディオアンプの歪成分分析と歪率測定を試みます。
測定対象は300BシングルアンプとKT-88プッシュプルアンプです。
歪率測定ではシバソク製、AM50Bオーディオアナライザとの比較も行います。

評価としては、歪率が0.1%程度までの球アンプの歪成分分析、歪率測定には十分に使えます。
歪率が0.1%程度まで測定であればオーディオアナライザと殆ど同じ測定を行えます。

スペクトラムアナライザの画面 AM50Bオーディオアナライザ

歪成分分析

左図は300Bシングルアンプの400Hz1W出力の周波数成分測定結果です。
一番高い山が400Hzの信号、2番目以降は2次高調波、3次、4次と4次調波まで観測できます。
次数が上がるにつれ斬減する、典型的な3極管シングルアンプの特徴を示しています。
電源ハムも殆ど無く、適切に製作されているのが解ります。
横のMeasurments欄にはTHD(高調波歪)、SINAD(高調波歪+ノイズ)、基本波と高調波の強度を表示させました。
THDは信号強度に対し-41.864dBです。これを普通の%表示に直すと0.807%です。
同時にシバソクAM50Bオーディオアナライザで測った歪率は0.786%でした。

右図はKT88 PPアンプの400Hz1W出力の周波数成分測定結果です。
一番高い山が400Hzの信号、2番目以降は2次高調波、3次と3次調波まで観測できます。
2次調波は3次調波より小さく偶数調波が打ち消されるPPアンプの特徴を表しています。
歪全体も300Bシングルアンプより少なく、PPアンプとして適切に製作されているのが解ります。
THDは信号強度に対し-57.625dBです。これを普通の%表示に直すと0.131%です。
同時にシバソクAM50Bオーディオアナライザで測った歪率は0.132%で殆ど同一値でした。

300Bシングルアンプの測定結果 KT88 PPアンプの測定結果

正確なスペクトラム測定を行いには適切な設定をする必要がありかす。
今回の試用でのスペクトラムアナライザの設定は
Frequency Renge : 10KHz to 24.42Hz
Track :Disabled
Window : Blackman-Harris
Type : Liniar RMS Average
平均回数 : 16
です。この設定が最適かは不明ですが、設定により結果は大きく変わります。
使いこなすにはスペクトラムアナライザの原理の理解が必要です。

歪率測定

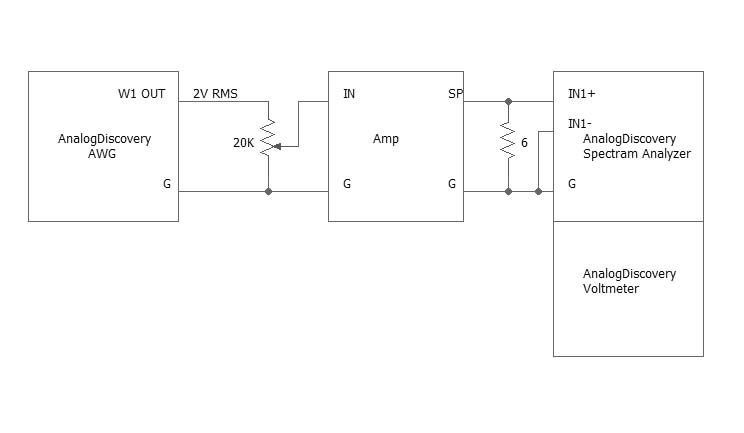
AnalogDiscoveryを用いた歪率測定を試しました。
下図が測定の為の構成です。
・任意波形発振器(AWG)、スペクトラムアナライザ、電圧計の3つのアプリを駆動します。
・任意波形発振器を測定周波数で2.82V(2Vrms)出力に設定し走らせます。
 任意波形発振器で電圧を絞ると歪率が悪化し歪率測定の信号源に適しません、2.82V(2Vrms)固定で使います。
・電圧計アプリでアンプの出力を測りつつ、20KΩのボリュームを調整し、測定したい出力値にします。
・スペクトラムアナライザを走らせてMeasurments欄のTHD(高調波歪)を読み取ります。
この作業を測定点分繰り返し、歪率の測定を行います。

左図は300Bシングルアンプの測定結果
右図はKT88 PPアンプの測定結果
です。どちらもシバソクAM50Bオーディオアナライザでの測定結果も併記しました。
AWGの発振器の歪が0.05%ありますし、AnalogDiscovery入力は10mV以下が苦手で14ビットですので、0.1%位までの歪率しが測れません。
しかし球アンプ等が対象であれば高価なオーディオアナライザと同等な測定ができます。
AM50Bの結果とは少し差異がありますが、オーディオアナライザ同士でも機種が異なればこの程度の差異は生じます。

測定実施の留意点は以下の通りです。
・スペクトラムアナライザはAnalogDiscovery07で書いた設定で用いましたが
 必ずしも最適な設定ではないかもしれません。
・入力電圧に合わせてスペクトラムアナライザのLevel−Refの値を適切に設定し
 画面全範囲(Level全範囲)を利用し有効bit数を保つ必要があります。
・任意波形発振器(AWG)では出力を絞らない。
・電圧計とスペクトラムアナライザは同時には走りません、
 スペクトラムアナライザが走ると、電圧計は休止します。
 両アプリを交互に走らせて測定をします。
 両アプリは同時立ち上げが可能で、交互の走行は1クリックで行えます。

AnalogDiscoveryの試用ページに戻る