悪い子の6CK4アンプ製作
詳細設計

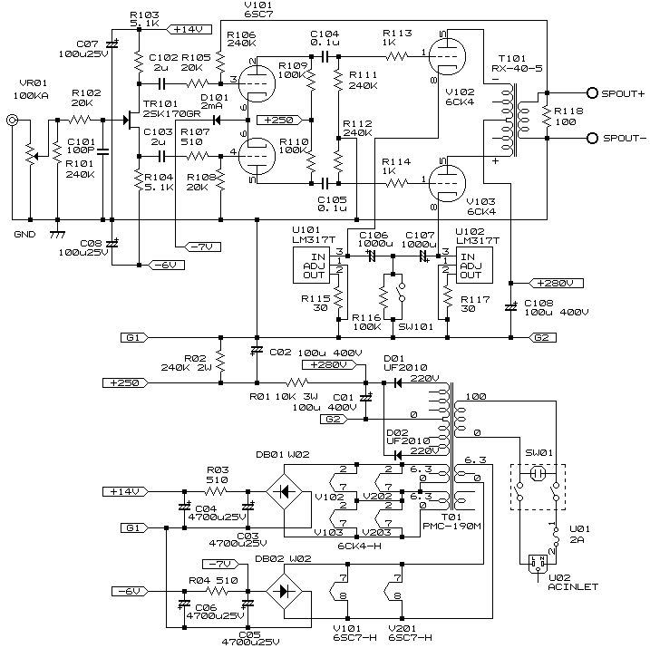
全回路図

まず本アンプの全回路図を下記に掲載いたします。本回路図は完全版ではありません。今後、製作が進むにつれて改良される事があります。

詳細設計解説

入力(位相反転)段

音量調節用の100KA型ボリュームの後に20KΩと100pFで構成するハイカットフィルタを設けています。最近は電波障害が多いのと、高域雑音を含むソースが多い為の対策です。 FETによるDS分割位相反転回路には2SK170を用います。利得はほぼ1で、2SK170のドレイン側とソース側に互いに反転した信号が得られます。動作電流値は1.6mAですのでIDSSが4mA程度の2SK170-GRランクが適します。

差動電圧増幅段

6SC7による差動電圧増幅段です、動作電流はカソードに繋がれた定電流ダイオードにより決まり2ユニット分で2mA、各ユニットでは1mAです。プレート電圧の割にプレート電流が少ない偏った動作点を選択しています。
回路図上側が反転入力側、下側が非反転入力側です。差動電圧増幅段の入力インピーダンスは反転、非反転側とも約20KΩとなります。反転入力(上側)では負帰還の作用で6SC7のグリッド(3ピン)が仮想的なグランドとなりますので、ほぼR105の値が入力インピーダンスとなります。非反転入力(下側)ではR107とR108の直列値が入力インピーダンスとなります。

出力段

6CK4によるA級プッシュプル出力段です。カソードのバイアス電圧が25V〜30V程度となりますので、動作点は下表となります。
プレート電圧 250V
プレート電流(1本分) 42mA
プレート損失(1本分) 10.5W
負荷 PP間6.6KΩ、1本分は3.3KΩ

各6CK4のカソードにはLM317T電源ICによる定電流回路が繋がれます。LM317Tの電流値を42mAとするR115、R117の値は下式で求められます。
R = 1.25V / 0.042A = 29Ω
29Ωという規格はないので30Ωとします。
6CK4のグリッドに繋がれているR113,R114の1KΩは発振防止用です。なるべく6CK4のグリッド近傍に配置します。R111,R112はグリッド入力抵抗です、240KΩの高抵抗値として、差動電圧増幅段への負荷を軽くしています。この様に高抵抗値に出来るのは、本アンプが各6CK4独立のカソード定電流源を採用しているからです。各6CK4には強力な直流帰還作用が働きますので、グリッド回路を高抵抗値としても暴走しません。通常の差動出力段の2管共通定電流源では、固定バイアス使用時と同様の低いグリッド回路抵抗値に抑えなくてはなりません。
出力トランスはRX-40-5 40W型を用います。この出力トランスは2次6Ωの時、1次PP間5KΩですので、2次を8Ωで使用すると1次PP間は6.6KΩとなります。

電源部

電源トランスはノグチのPMC-190Mです。AC220Vをセンタータップ整流しDC280Vを得ています。平滑は100μF 400Vのケミコン3個によって行います、チョークは標準アンプとのシャーシ互換性を考え用いません。差動電圧増幅段の250Vは280Vから抵抗で落して作ります、左右共用です。入力(位相反転)段の+14Vと-6V、-7Vの電源はヒーター電源を整流して作ります。+14Vを作る為に6CK4用のヒーター電源を2階建てにしてAC12.6Vを作ります。+14V、-6V、-7V電源も左右共用です。

利得と負帰還

本アンプは1V入力で最大出力6Wを得て、その時の負帰還量を6db程度とする回路定数としました。
8Ω負荷6W時の出力電圧は7Vですので、帰還後のアンプの仕上がり利得は7を目標とします。

アンプの裸利得は
入力(位相反転)段 1倍 (0db)
差動電圧増幅段 6SC7のgm(1.3mS)*負荷抵抗(rp//rl//出力段入力インピーダンス)
=1.3mS * (50KΩ//100KΩ//240KΩ)
=1.3mS * 29KΩ = 38倍 (32db)
差動出力段 6CK4のgm(5.5mS)*負荷抵抗(rp//rl)
=5.5mS * (1.2KΩ//3.3KΩ)
=5.5mS * 0.88 = 4.8倍 (14db)
出力トランスの降圧比(PPの片側分) 1/14 (-23db)
アンプ全裸利得 1 * 38 * 4.8 * (1 /14) = 13倍
0 + 32 + 14 - 23 = 23db

帰還量を6dbとすると少し裸利得がたりませんが、まあ計算通りには行きませんので、とりあえずは先に進みます。

帰還後の仕上がり利得
本アンプでは出力端子より入力(位相反転)段後の差動電圧増幅段に帰還が掛けられていますが、入力(位相反転段)の利得は1なので負帰還に対するアンプの裸利得は変りません。

アンプの裸利得を
A
帰還率 を
β = R105 / R106 = 20KΩ / 240KΩ
とすれば、アンプの仕上がり利得は
仕上がり利得 = A / ( 1 + β * A ) = 13/ ( 1 + ( 20 / 240) * 13 ) = 6.24倍
負帰還量は
負帰還量 = 13 / 6.24 = 2.08 = 6.1db

本アンプの仕上がり利得は約6倍、負帰還量も約6dbとなる予定です。
本当にこんなに巧くいくかな〜〜〜〜?

高域特性の検証

負帰還を6db掛けますので、高域安定度の検証が必要です。6dbの帰還を安定に掛ける為には高域時定数のスタッガ比が2程度は必要です。
本アンプの高域時定数は差動電圧増幅段と差動出力段に各1個存在します。この内、差動出力段の高域時定数は出力管と出力トランスは決まると決まってしまいます。

差動出力段の高域時定数 fho
計算では求めにくいので出力トランスRX-40-5添付の周波数特性図から求めます。RX-40-5を5KΩで駆動した時の高域-3db落ち周波数は130KHz程度です、又600Ωで駆動した時の高域-3db落ち周波数は160KHz程度です。6CK4の内部抵抗は1.2KΩですのでPPでは倍の2.4KΩで駆動している事となり130KHzと160KHzの中間140KHz程度が高域時定数fhoとなります。
出力段の高域時定数fhoが140KHzと高いので、差動電圧増幅段の高域時定数 fhvは上側には設定しにくく、fhoの下側に設定するのが得策です。
差動電圧増幅段の高域時定数 fhv
6SC7の出力インピーダンスとプレートに負荷される容量により高域時定数fhvが決まります。
  1. 出力インピーダンスは
    6SC7のrp // rl (R109) // 出力段入力インピーダンス(R111) = 29KΩ です。
  2. 負荷される容量は 6SC7の出力容量は
    6SC7のCout 3pF +
    6SC7のCg-pのミラー効果容量の内の寄与分(大体の予想) 30pF +
    6CK4のCin 8pF +
    6CK4のCg-pのミラー効果容量 63pF +
    配線容量 10pF +
    総容量 = 114pF です。
高域時定数は fhv = 159 / ( 29KΩ * 0.000114μF) = 48.1KHz となります。
高域のスタッガ比は
fho / fhv = 140KHz / 48.1KHz = 2.9 となり 6dbの負帰還が安定に掛けられると予想されます。
計算が正しければ位相補正のコンデンサ類は不要です。結果はアンプが出来てのお楽しみ。

低域特性の検証

高域特性と同様、負帰還を6db掛けますので、低域安定度の検証が必要です。6dbの帰還を安定に掛ける為には低域時定数のスタッガ比も2程度は必要です。
本アンプの低域時定数は高域同様、差動電圧増幅段と差動出力段に各1個存在します。この内、差動出力段の低域時定数はやはり、出力管と出力トランスは決まると決まってしまいます。

差動出力段の低域時定数 flo
6CK4の出力インピーダンスと出力トランスの一次インダクタンス値により低域時定数 flo が決まります。
  1. 出力インピーダンスは
    6CK4のrpX2(PP分) // 出力トランスのインピーダンス =
    1.2KΩ*2 // 6.6KΩ = 1.76KΩ
  2. 出力トランスの一次インダクタンス値はRX-40-5の特性表から
    最低290H、最大640H となります。
低域時定数は
flo-min = 1760Ω / (6.28 * 290H ) = 0.96Hz
flo-max = 1760Ω / (6.28 * 640H ) = 0.44Hz
となります。差動出力段の低域時定数が十分低いので差動電圧増幅段の低域時定数は上側に設定することにしました。
とするとflo = flo-min = 0.96Hzとなります。
差動電圧増幅段の低域時定数 flv
6SC7のrpとrl(R109)の並列値に出力段入力インピーダンス(R111)を加算した抵抗値と段間結合コンデンサC104の値により決まります。
6SC7のrpとrl(R109)の並列値に出力段入力インピーダンス(R111)を加算した抵抗値は
50KΩ//100KΩ+240KΩ = 273KΩ、 C104は0.1μFですので
低域時定数は
flv = 159 / ( 273KΩ * 0.1μF) = 5.8Hz となります。
非反転側(回路図下側)に関しても、R110,R112,C105により同様に決まります。
低域のスタッガ比は
flv / flo = 5.8Hz / 0.96Hz = 6.04となり 6dbの負帰還が安定に掛けられると予想されます。
C104を大きくすると安定度は悪化する方向となります。C104、C105を無闇に大きくしてはいけません。

部品解説へ進む

悪い子の6CK4アンプ製作に戻る